Replacing Tipm Need Help On Proper Steps
Updated 2026
Verified by Expert Team

Replacing Tipm Need Help On Proper Steps

Share

Executive Summary

Discover comprehensive information about Replacing Tipm Need Help On Proper Steps. This page aggregates 10 curated sources, 8 visual resources, and 9 related topics to give you a complete overview.

People searching for "Replacing Tipm Need Help On Proper Steps" are also interested in: DJI Mavic, Air and Mini Drones, Gimbal screws and replacing bracket on, Replacing automotive diodes, and more.

Visual Analysis

Data Feed: 8 Units
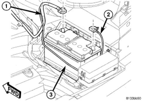
Tipm C1 | PDF | Electrical Connector | Automotive Technologies

Tipm C1 | PDF | Electrical Connector | Automotive Technologies

Bing
Replacing TIPM: I Have the Car Listed Above SE Model. I Need to ...

Replacing TIPM: I Have the Car Listed Above SE Model. I Need to ...

Bing
Replacing TIPM: I Have the Car Listed Above SE Model. I Need to ...

Replacing TIPM: I Have the Car Listed Above SE Model. I Need to ...

Bing
Replacing TIPM: I Have the Car Listed Above SE Model. I Need to ...

Replacing TIPM: I Have the Car Listed Above SE Model. I Need to ...

Bing
Replacing TIPM: I Have the Car Listed Above SE Model. I Need to ...

Replacing TIPM: I Have the Car Listed Above SE Model. I Need to ...

Bing
Jeep Tipm Replacement: A Worthy Solution? | ShunAuto

Jeep Tipm Replacement: A Worthy Solution? | ShunAuto

Bing
TIPM | Circuit Board Repair Service

TIPM | Circuit Board Repair Service

Bing
Help disassemble TIPM | Jeep Enthusiast Forums

Help disassemble TIPM | Jeep Enthusiast Forums

Bing

Intelligence Data

DJI Mavic, Air and Mini Drones - DJI Mavic, Air & Mini Drone Community
Verified SourceSource: www.bing.com

Sep 24, 2024 · Repair Service: Replacing the LR arm axis was honestly a relatively easy repair. After replacing the arm, and powering up the gimbal does its vertical and horizontal tests, but the roll …

Gimbal screws and replacing bracket on - DJI Mavic, Air & Mini Drone ...
Verified SourceSource: www.bing.com

May 22, 2025 · I have put back together the entire gimbal already, and I would much rather superglue a plastic piece to the motor than fully disassembling the gimbal again and replacing the motor entirely. …

Replacing automotive diodes | Electronics Forum (Circuits, Projects …
Verified SourceSource: www.bing.com

Apr 18, 2024 · You can try replacing it. I'd use a 2A standard diode. The leads and body look too fat for a simple 1N4001 to 1N4007 range. Also, are you sure it's the problem? Is this the switch by the driver's …

DJI Mini 4 Pro Vision Sensor Calibration After Crash
Verified SourceSource: www.bing.com

Sep 23, 2024 · Just by replacing vision sensors It will not work . Professional calibration by specific tool is required . Contact any drone repair or service in your area I just wait, official calibration software …

Replacing front leg mini 2 se | DJI Mavic, Air & Mini Drone Community
Verified SourceSource: www.bing.com

Oct 12, 2024 · I'm replacing the left front leg. I can't get the spring loading to work. Leg just flops around. Any help?

DJI Mavic, Air and Mini Drones - DJI Mavic, Air & Mini Drone Community
Verified SourceSource: www.bing.com

Jan 15, 2024 · Nov 30, 2025 scottjo2152 F Mini 3 Pro - Replacing rear motor without opening a drone factislite Mar 7, 2024 Mini 3 4 Mar 7, 2024

12v DC adapter repair - Electronics Forum (Circuits, Projects and ...
Verified SourceSource: www.bing.com

Oct 10, 2023 · My AC to 12vDC adapter was blown and after opened the case I found that the coil was blown to pieces by pieces. Since I don't know what is that coil looks like .... Is it possible to replace …

RC not connected to mobile device after replacing button board
Verified SourceSource: www.bing.com

Dec 13, 2024 · RC not connected to mobile device after replacing button board Mick P Dec 13, 2024 M

DJI RC battery swap | DJI Mavic, Air & Mini Drone Community
Verified SourceSource: www.bing.com

Mar 8, 2020 · Hi everyone, My DJI RC with the integrated screen, bought with my Mini Pro 3 two years ago, is now showing its age. Even when charged to 100%, it drops to 80% after a few hours in …

Replacing damaged chips/microcontrollers; Which components in …
Verified SourceSource: www.bing.com

May 13, 2021 · I'm just starting to get into electronics as a hobby and I was wondering if someone here could help me understand the process of replacing damaged microcontrollers. With the right tools …

Helpful Intelligence?

Our AI expert system uses your verification to refine future results for Replacing Tipm Need Help On Proper Steps.

Related Intelligence Nodes

Network Suggestions